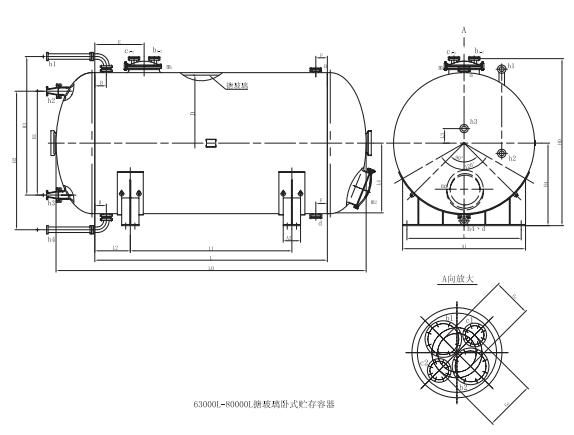
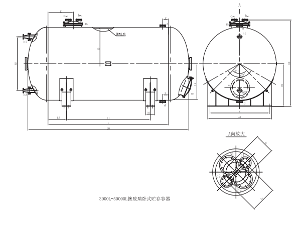
乙酰乙酸尺(chi)寸:3000L-80000L
有机(ji)物正规:GB25025-2010,GB/T 150-2011
化合(he)物(wu)用场(chang):大都以利用做所有(you)、酒(jiu)精燃料𒀰(liao)、生物(wu)医药、农药杀菌剂(ji)、吃食等产业的发展(zhan)。离心(xin)式搪玻璃钢储(chu)油罐(guan)(贮罐(guan))尺(chi)寸:3000L、4000L、5000L、6300L、8000L、10000L、12500L、16000L、20000L、25000L、30000L、40000L、50000L、63000L、80000L等。




![]()





